[IME - 2020/2021 - 2ª fase]
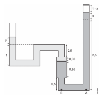
Um tubo com seção reta interna quadrada de lado b contém dois fluidos incompreensíveis em equilíbrio, separados por um êmbolo, conforme a situação ilustrada na figura. A cavidade em que o êmbolo se desloca, sem atrito, apresenta seção reta interna quadrada de lado a. O êmbolo é formado por um material indeformável, com massa, espessura e volume desprezíveis, e encontra-se, inicialmente, na posição superior dentro da cavidade. Em certo instante, a segunda extremidade do tudo é perfeitamente vedada com uma tampa, mantendo o ar confinado com a mesma pressão atmosférica externa.
Dados:
- massa específica do fluído 1 : 1000 kg/m3
- massa específica do fluído 2 : 2000 kg/m3
- pressão atmosférica: Patm = 105 N/m2
- aceleração da gravidade: g = 10 m/s2
- a = 0,2 m
- b = 0,1 m
Considerando que não ocorrerão mudanças de temperatura nos fluídos e no ar confinado, para que o êmbolo entre em equilibrio 5,00 cm abaixo da posição inicial, quantos litros do fluído 1 deverão ser inseridos na extremidade aberta do tubo?
Gabarito:
Resolução:

Considerando a variação no ar confinados, tem-se que:
Aplicando a transformação isotérmica:
A pressão no ponto A:
Como a pressão em A é igual à pressão em B:
Logo o volume que deve ser inserido equivale a;